
What Pumps Are Used in an RO System? And How Long Do They Last?
This article is a general guide for RO system engineers. For containerized SWRO high pressure pump selection with ERD/VFD integration, refer to this selection guide.
Our blog covers topics such as high-pressure pumps, valves, and seawater reverse osmosis (SWRO) technology. We are continuously exploring new subjects and regularly adding fresh content.

This article is a general guide for RO system engineers. For containerized SWRO high pressure pump selection with ERD/VFD integration, refer to this selection guide.

Project Background This project involves a 500 m³/day modular seawater reverse osmosis (SWRO) desalination system installed on a remote island. The system was developed to

Project Background This case involves a modular skid-mounted seawater reverse osmosis (SWRO) system developed for coastal / overseas regions facing long-term freshwater shortages.Compared with containerized

Project Background This case study presents a containerized seawater reverse osmosis (SWRO) system designed to provide a reliable freshwater supply in a water-scarce region.The project

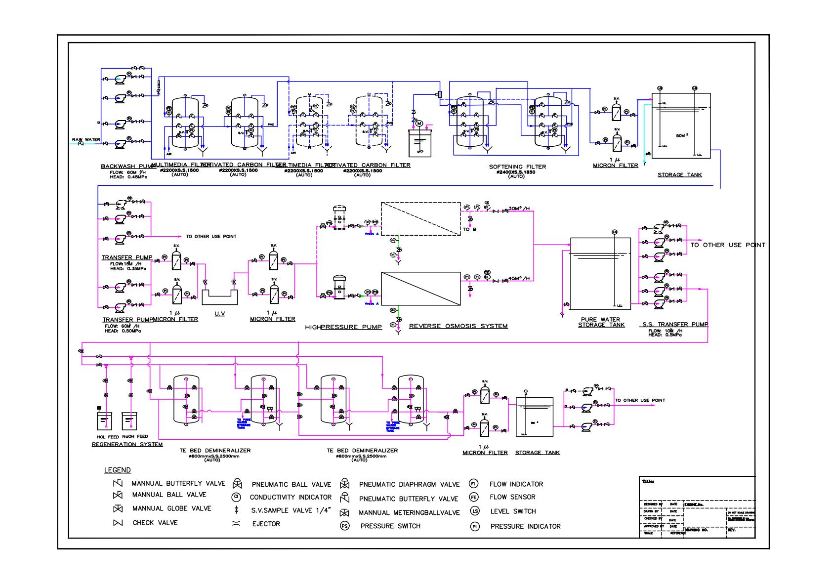
Containerized seawater reverse osmosis (SWRO) systems are widely used for decentralized desalination projects where fast deployment, modular expansion, and predictable operation are critical.In these systems,

Foreword: We Understand Your Procurement Process If you’re a system integrator working in the yacht or marine sector, the core concerns in sourcing a high-pressure

If you’re a Water Mist Fire Suppression System Manufacturer or Special Hazard Fire Suppression Company working on chemical plants, substations, or high-load storage facilities, you’ve

As an engineer at RohrePumps, I’ve spent years helping clients build fire protection systems in some of the harshest industrial environments—fuel terminals, chemical plants, timber

For manufacturers of compact seawater desalination units (0.1–0.5 m³/h), lab-scale reverse osmosis systems, and light industrial pure water equipment, selecting the right high-pressure pump is

In every seawater RO plant I’ve been involved with, the high-pressure pump has always been the point everyone pays the most attention to. It’s the
WhatsApp us