Free Download Professional Resources for RO System Design
CAD drawings, P&IDs, calculation software, and white papers – all created to simplify RO design and ensure the correct selection of Rohre® high-pressure axial pumps.

Resource Categories
For engineers designing RO systems with Rohre® axial piston high-pressure pumps
CAD Drawings
- General Assembly for 3m³/h RO System (DWG)
- Equipment Layout for 45 m³/h RO System (DWG)
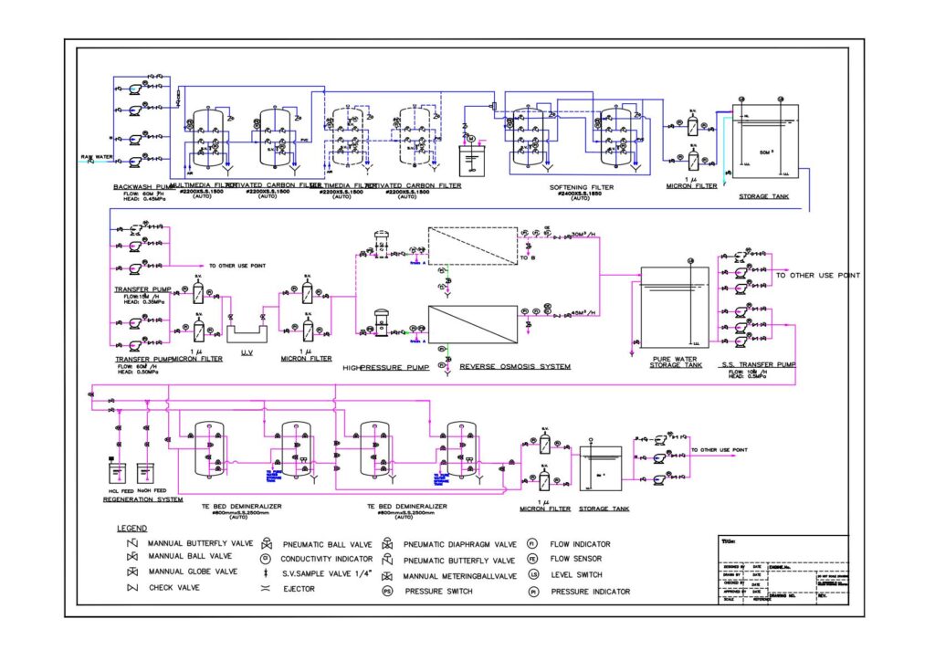
- Process Flow Diagram (PFD) for Two-Stage RO System (DWG)
- Process Flow Diagram (PFD) for 3×40 m³/h RO System (DWG)
- RO Process Flow Diagram (DWG)
- P&ID for 50m³/h RO System (DWG)
- RO Unit Drawing (DWG)
- RO Process Flow Diagram (PFD) (DWG)
- RO Fabrication Drawing (DWG)
- Detailed Piping Construction Drawing for RO Process (DWG)
- Single-Stage RO Unit Drawing – Network (DWG)
- P&ID for RO Process Flow (DWG)
- RO System Design Flow Diagrams
- RO Accessories
Calculation Software
- SDI Correction Formula for RO Feed Water(Excel)
- RO Cleaning Tank Calculation
- RO Calculation Sheet
- Calculation Formulas for Chemical Dosing in RO Systems
- RO Chemical Dosing Budgeting Software
- RO Mass Balance Calculation
- UF and RO Chemical Dosing Calculation
- Reverse Osmosis–EDI Calculation Sheet
- UF–RO Calculation
- RO–EDI Integrated Water Treatment Process Flow Chart
White Papers & Guides
- Pump Selection in Seawater Desalination
- Two-Stage RO Design Guide
- Maintenance Checklist for RO High-Pressure Pumps